Dekontaminierung von radioaktiven Abwässern

Sichere Abkling- und Kontrollanlagen für Nuklearmedizin und Forschung

Verfahrensbeschreibung

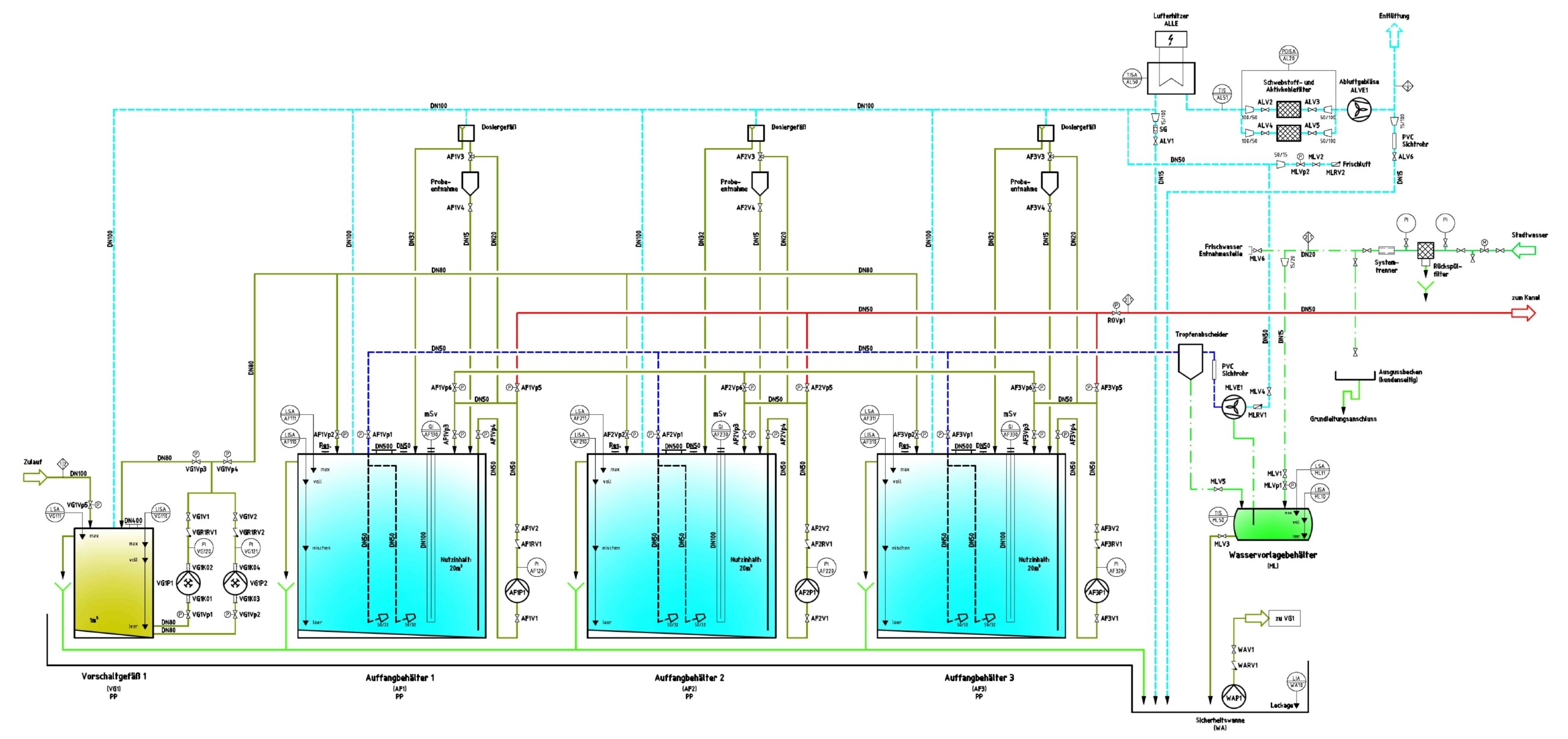
Dekontaminierungs- bzw. Abkling-Anlagen dienen der sicheren Aufbereitung radioaktiv belasteter Fäkal- und Laborabwässer. Das Verfahren basiert auf dem Abklingen der Radionuklide, bis die in der Strahlenschutzverordnung definierten Grenzwerte erreicht sind.

Die Abwässer gelangen zunächst über ein Vakuum-System mit Vorschaltgefäß und Zerkleinerungspumpen in spezielle, mit Blei abgeschirmte Abklingbehälter. Dort erfolgt durch Belüftung und Mischeinrichtungen eine kontinuierliche Durchmischung, um aerobe und anaerobe Prozesse zu verhindern.

Begleitende Technologien erhöhen die Effizienz:

  • Vakuumtoiletten reduzieren das Abwasservolumen erheblich.

  • Waschwasser-Wiederverwendungssysteme sammeln und desinfizieren Dusch- und Handwaschwasser und nutzen es erneut für die Toilettenspülung.

  • Automatische Verbrauchskontrolle überwacht den Frischwasserverbrauch der Patientenzimmer und schützt vor Überschreitungen.

Vor der Abgabe in die Kanalisation wird jedes Abwasser einer automatischen Aktivitätsmessung unterzogen. Alle Werte werden protokolliert und können den Behörden vorgelegt werden. Über moderne Panel-PCs und Netzwerksteuerung lässt sich die Anlage zentral oder dezentral überwachen und steuern.

Verfahrensschema Abklinganlage

Individuelle Abkling- und Kontrollanlagen für höchste Sicherheit

Radioaktive Abwässer stellen höchste Anforderungen an Sicherheit, Technik und Einhaltung gesetzlicher Vorgaben. EnviroDTS entwickelt individuelle Dekontaminierungs- und Abklinganlagen, die exakt auf den Abwasseranfall, die Aktivitätsmengen und die räumlichen Gegebenheiten der jeweiligen Einrichtung zugeschnitten sind.

Unser Anspruch: Sicherheit, Wirtschaftlichkeit und Bedienkomfort durch intelligente Anlagenkonzepte – von der Planung über die Konstruktion bis zur Inbetriebnahme. Jede Anlage wird nach den aktuellen Anforderungen der Strahlenschutzverordnung sowie einschlägigen DIN-Normen ausgelegt und dokumentiert.

Erfolgreich umgesetzt – unsere Referenzanlagen

Robert-Bosch-Krankenhaus Stuttgart
Nuklearmedizinische Therapie

  • 12 Abklingbehälter mit 10 m³
  • 680 L Abwasser/Tag; 175 GBq Aktivität/Jahr

Universitäts-Klinikum Bonn
Anlage für Nuklear-Therapie und Diagnostik

  • Stapelanlage
  • 6  x 15m³ PP Behälter
  • 5 x 40m 3 Erdtanks

Klinikum Stuttgart
Anlage für Nuklear-Therapie und Diagnostik

  • Bio-Chroma Anlage
  • Für 2200l/tag Abwasser

Uni-Klinikum Würzburg
Anlage für Nuklear-Therapie und Diagnostik

  • Bio-Chroma Anlage
  • Für 2300l/tag Abwasser

Ihre Ansprechpartner

Volker Luh

Volker Luh

Dipl. Ing.

Telefon:. +49 6031 7318 24
E-Mail: volker.luh@envirodts.de

Andreas Koch

Andreas Koch

Dipl. Ing.

Telefon: +49 6031 7318 23
E-Mail: andreas.koch@envirodts.de